Beschreibung
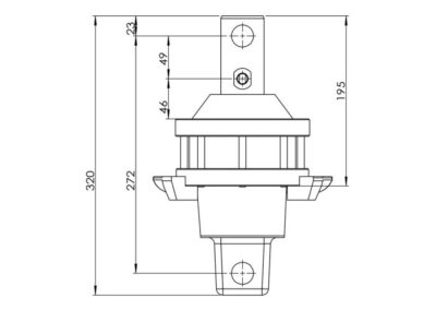
Drehgelenk 7 mit 49,5 mm Drehgelenkzapfen
Ein gut funktionierendes Drehgelenk an einem Forstkran ist beim Arbeiten mit Stämmen entscheidend, da es:
1. Eine reibungslose Handhabung ermöglicht – Ein Drehgelenk erlaubt es, das Greifwerkzeug um 360 Grad zu drehen, was das präzise Positionieren von Stämmen beim Be- und Entladen erleichtert.
2. Die Effizienz steigert – Mit einem leichtgängigen und reaktionsschnellen Drehgelenk kann die Arbeit schneller erledigt werden, ohne dass unnötige Anpassungen des Hauptarms des Krans erforderlich sind.
3. Den Verschleiß des Krans reduziert – Ein funktionierendes Drehgelenk verhindert unnötige Verdrehbelastungen an den Auslegern und Gelenken des Krans, wodurch der Verschleiß verringert und die Lebensdauer der Ausrüstung verlängert wird.
4. Die Sicherheit verbessert – Ein gut funktionierendes Drehgelenk minimiert das Risiko plötzlicher Ruckbewegungen oder unvorhersehbarer Bewegungen, die sowohl für den Maschinenführer als auch für Personen in der Nähe gefährlich sein können.
5. Präzisionsarbeit ermöglicht – Beim Stapeln oder Verladen von Stämmen ist eine genaue Platzierung erforderlich, die mit einem einwandfrei funktionierenden Drehgelenk erheblich erleichtert wird.
- Betriebsdruck 20 MPa (max.)
- Axiallast 1900 kg (max.)
- Befestigungspunkt 60 mm (oben). 49.5 mm (unten)
- Sperrstift ⌀ 25 mm (oben)
- Empfohlener Ölförderstrom 20 LPM
- Schlauchanschluss 3/8“
- Drehmoment bei 15 MPa 655 Nm









